| 抵抗でインピーダンス変換器と終端の試作
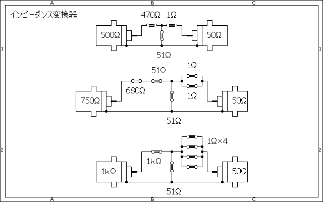
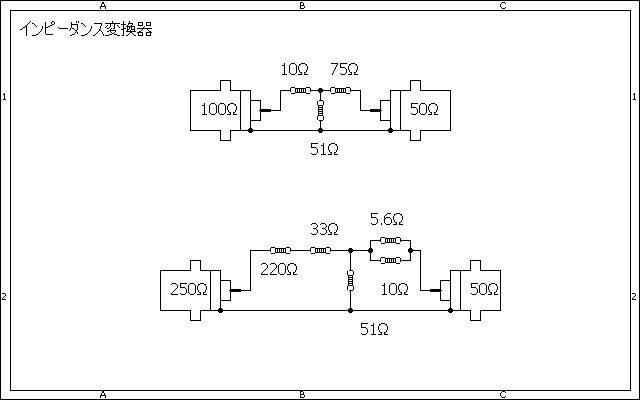
抵抗でインピーダンス変換器と終端を作ってみました。 インピーダンス変換器 50Ω⇔100Ω インピーダンス変換器 50Ω⇔250Ω インピーダンス変換器 50Ω⇔500Ω インピーダンス変換器 50Ω⇔750Ω インピーダンス変換器 50Ω⇔1000Ω 抵抗は汎用抵抗を使用しています。秋月電子等で購入・・・ デジタルテスタで抵抗を選別して使用しています ![]() 終端 100Ω 250Ω 500Ω 750Ω 1000Ω ![]() ![]() RF−1で動作確認 この方法で正しいのかな〜 Zが50Ω付近にあるから正しいかも? けっこう「いいかげん」に作っても案外とちゃんと動いているみたい(^^; ![]() |