なんちゃってAD8307で電力計の試作
なんちゃってAD8307(SOP8タイプ)を使用した電力計の試作してみました
(「XKP」ホームページに紹介されていたAD8306電力計の「なんちゃってAD8307バージョン)

  











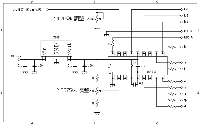
調整方法

① 表示部、入力抵抗を値を147kΩにデジタルテスタで調整

② リファレンス電圧 2.55V(2.5575V)にデジタルテスタで調整

③ 高周波部 AD8307の勾配調整 SGから-30dbmの信号を入れて半固定抵抗10kΩを調整して7SEG表示が-30dbmになるように調整


測定データ

 SG出力 dbm -70 -60 -50 -40 -30 -20 -10 0 +10
 なんちゃってAD8307 -69.2 -59.5 -49.9 -40.1 -30.0 -20.1 -10.5 0.4 9.3